MFSS Series Single Side Enter Single Bag Filter Housing

Master Filtration MFSS Series Single Side Enter Single Bag Filter Housing, is a kind of economic filter housing, adopting side to bottom or side to side filter mode. Side pipe connection can adapt to different directions according to customer requirements. Simple construction makes filter housing easier to clean. Single sealant ring design provides an excellent sealing effect.
.


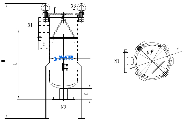
- Side entry inlet and detachable top cover to eliminate liquid overflow when opening
- Side to bottom, side to side flexible connection way
- #1,#2,#3,#4 type filter bag selectable, support customized specification
- Single sealant design, avoid bypass leakage
- Adjustable support frame for different pipe height
- Easy installation and replacement


|
Filter housing material: |
SS304, SS316 |
|
Filter bag material: |
PP, Polyester,Nylon,PTFE,SS304,SS316 |
|
Filter bag qty: |
1pcs |
|
Removal rate: |
0.5~1700um |
|
Working temperature: |
0~100℃ |
|
Max differential pressure: |
2.4 bar |
|
Replacement differential pressure: |
1.0 bar |
|
Gasket: |
Silicone, NBR, EPDM, FKM, PTFE |
|
Inlet&outlet: |
Flange,tri-clamp, thread |
|
Surface finishing: |
Satin finish, polishing finish |

|
Model |
Bag size (mm) |
Diameter (mm) |
Height (mm) |
Inlet/outlet dia |
Flow rate (m3/h) |
Filtration area(㎡) |
|
MFSS-1 |
180*430 |
200 |
780 |
DN50 |
15 |
0.25 |
|
MFSS-2 |
180*810 |
200 |
1200 |
DN50 |
30 |
0.5 |
|
MFSS-3 |
105*230 |
133 |
600 |
G1" thread |
6 |
0.08 |
|
MFSS-4 |
105*380 |
133 |
750 |
G1" thread |
12 |
0.16 |
|
We are factory and support customized specifications. |
||||||

|
Water Treatment |
|
Process Water, RO Pre-filtration, Condensate Water, Potable Water System, Wastewater Treatment, Sea Water Desalination, Ballast Water Treatment. |
|
Industry |
|
LEDS, Wastewater, Pulp & Paper, Tank Venting, Fine Chemicals, Surface Finishing. |
|
Power Plant |
|
CVCS, RWCU, Spent Fuel Pool, Suppression Pool, Condensate Polishing, Steam Generator Blow Down, Stator Cooling Water Treatment, Liquid Radioactive Water Treatment. |
|
Petrochemical |
|
Lube Oil Filtration, Amine Sweetening, Chemicals Filtration, Desiccant Dehydration, Completion Fluid Filtration, Oil & Natural Gas Filtration, Injection Well Water Filtration. |
|
Food & Beverage |
|
Lube Oil Filtration, Amine Sweetening, Chemicals Filtration, Desiccant Dehydration, Completion Fluid Filtration, Oil & Natural Gas Filtration, Injection Well Water Filtration. |
|
Oil & Chemicals |
|
Painting, Inkjet Printers, Sovlent Filtration, Chemical Filtration, Oil & Gas Filtration, Inkjet Inks Filtration, Automotive Painting & Paint. |
|
Microelectronics |
|
LCD Cleaning, CMP Filtration, Flat Panel Film, Semiconductor Wastewater, Electronic Chemical Filtration, Typical Ultrapure Water System, Wafer Grinding/Cutting Wastewater. |
|
Pharmaceuticals |
|
Opthalmic Filtration, Pharmaceutical Water, Blood Plasma Product, Formulation LVP/SVP Filtration, Sterile Filtration & Bioburden Control, API's, Intermediates, Fermentation Broths, Precious Metal Catalyst Removal/Recovery. |